ШПК-310 ВОК (встроенный открытый красный)
Описание
Шкаф пожарный ШПК-310 ВОК (встроенный, открытый, красный) предназначен для обеспечения сохранности и размещения в нем пожарного крана. Комплектуется поворотной корзиной (кассетой) для одного напорного рукава диаметром от 51 до 66 мм. Снабжен дверцей открытого типа со смотровым окном для контроля целостности инвентаря, надежным почтовым замком и карманом для хранения ключей. Возможно исполнение пожарного шкафа с ЕВРО-ручкой. Окрашен прочным полимерным покрытием красного цвета. Порошковая краска надолго защитит металлический ящик от появления очагов коррозии и сохранит его первоначальный вид.
Шкаф пожарный ШПК-310 ВОК монтируется анкерными болтами в специально подготовленную нишу стены на внутренний противопожарный водопровод здания или промышленного объекта. Он предназначен для обеспечения быстрого доступа к первичным средствам пожаротушения и выполнять требования по их сохранности.
Шкаф пожарный ШПК-310 ВОК монтируется анкерными болтами в специально подготовленную нишу стены на внутренний противопожарный водопровод здания или промышленного объекта. Он предназначен для обеспечения быстрого доступа к первичным средствам пожаротушения и выполнять требования по их сохранности.
Характеристики
| Категория | Шкафы пожарные |
| Рекомендуется | Для пожарного крана в нише стены / Для монтажа на внутренний противопожарный водопровод |
| Производитель | Завод «ТОИР-М» |
| Как можно купить | Опт / Розница |
| Вид поставки | Поштучно / На паллете |
| Серия | ШП-К-001 |
| Модель | ШПК-310 ВОК |
| Тип исполнения | Настенный |
| Тип монтажа | Встроеный |
| Цвет | Красный |
| Материал | Металл |
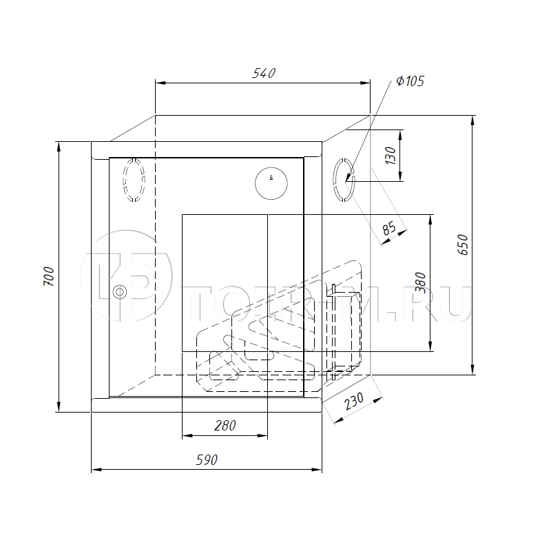
| Ширина, мм | 590 |
| Высота, мм | 700 |
| Глубина, мм | 230 |
| Ширина встраиваимой части, мм | 540 |
| Высота встраиваимой части, мм | 650 |
| Глубина встраиваимой части, мм | 230 |
| Вес не более, кг | 12 |
| Комплектация включённая в стоимость изделия | Корзина для пожарного рукава |
| Комплектация изделия за дополнительную плату | Пожарный рукав |
| Количество изделий на паллете, шт | 12 |
| Габариты упакованной паллеты Д х Ш х В, мм | 1200х800х1600 |
| Вес упакованной паллеты не более, кг | 144 |
